鋰電池具有體積小、容量大、重量輕等優點,被廣泛應用于手機、電腦、家電、電動汽車和儲能市場等眾多領域,不斷煥發出旺盛的生命力。
鋰電池和18650電池鼻祖——曾經的索尼鋰電池
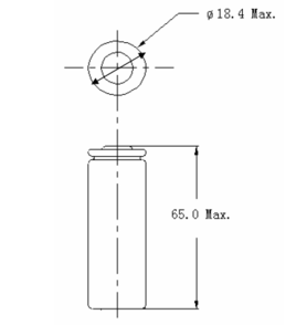
早在1991年,索尼公司就發布了首個商用鋰離子電池。同時,索尼公司根據多年開發經驗,綜合考慮后定下了一種標準電池型號:直徑為18mm,長度為65mm的圓柱形電池——也就是我們今天常說的18650鋰電池。

之后,這種圓柱形的鋰離子電池徹底革新了消費電子產品的面貌。小到充電寶,大到汽車,這種圓柱形電池無時不刻不在影響著我們生活的方方面面。
今天,松下,三星,LG,比克,力神等知名的電池工廠仍然在24小時不停地生產著這種有著近30年歷史的產品。而當年的鼻祖——索尼卻已經漸漸地消失在了人們的視野之中。
涅槃重生后的再出發——現在的村田鋰電事業
2017年9月1日,索尼正式公告宣布已完成索尼集團電池業務向MLCC等電子元器件龍頭企業村田制作所(以下簡稱“村田”)的轉讓。同年11月,索尼在國內的工廠“索尼電子(無錫)有限公司”正式更名為“村田新能源(無錫)有限公司”。至此,“索尼鋰電”涅槃重生為“村田鋰電”,踏上了復興之路。
今年2月8日,村田創新智造園新增11.1億美元項目簽約落戶無錫高新區。村田創新智造園由村田集團投資建設,是村田集團打造的以產業資源集聚、行業引領和示范為一體的創新型園區。根據規劃,村田創新智造園將建設村田電子元器件新工廠和新能源鋰電池新工廠兩大全新的生產制造基地,整體投資規模從現有的14.5億美元增加至25.6億美元。項目建成達產后,產值規模將從現在的125億元增加到200億元。

2018年8月8日,村田新能源(無錫)有限公司第四工廠舉行竣工典禮,該工廠預計在2019年1月正式投產。
據了解,新工廠主要提供輕薄型鋰電池產品,生產的鋰電池產品可以供應智能手機、移動終端、電動工具等市場,此外還可以應用于相機、平板電腦、筆記本電腦、電動自行車、吸塵器、游戲機等。此前,村田在智能手機零部件業務的生產和制造領域取得了不俗的成績,隨著手機行業增長放緩,村田開始逐步將業務領域從移動通信拓展到汽車、醫療與新能源領域,收購索尼鋰電業務將幫助村田進一步實現業務的增長和擴張。
村田鋰電的新發展和新方向
據村田相關人員透露,目前村田圓柱電池產品序列大致分為三元圓柱VTC系列和磷酸鐵鋰圓柱FTC系列兩大類。
VTC系列產品在國內主要提供給全球頂尖的電動工具公司和無線吸塵器公司。隨著村田集團不斷在汽車和醫療等行業加大開拓力度,今后村田三元圓柱也會在各種電動車輛和醫療輔助器械上開拓新的市場。
村田FTC系列產品除了在傳統的ESS儲能市場發力外,也憑借其高達14000次的充放電循環性能,極佳的高溫耐久性以及高安全性等優勢,在物流車輛和專用車輛市場上已經獲得了國際叉車巨頭的青睞。今后,村田將進一步開拓高端AGV等智能物流市場,以及對安全性和耐久性有著極高要求的專用車輛市場。

左26650FTC,右18650VTC
另外,受到特斯拉開發21700的影響,市場對21700的需求和接受度都在不斷增加,村田也在積極布局21700的產品線,目前開發已經接近尾聲,明年有望實現量產。據了解,目前村田21700鋰電池的初步設計目標是,單電芯容量在4000mAh以上,連續放電電流在40A以上。

村田的21700三元鋰電池
布局5G/IoT市場
此外,在村田集團傳統優勢的通信領域,也活躍著村田鋰電池的身影。
據了解,除了傳統的手機鋰電池以外,為了針對今后5G和IoT等應用的用電需求特點,村田還特別開發了大功率和寬溫域的IoT專用紐扣電池,主要應用于LPWA設備和戶外復雜環境中的IoT設備。


在收購索尼鋰電業務后,村田計劃將該電池業務作為能源業務的核心進行運營,為未來進入新能源領域的目標做足準備。今后,村田還將進一步加大研發,發揮技術優勢,不斷豐富產品種類,引領創新潮流,為電子行業的可持續發展貢獻力量。

電池網微信












